输送机防雨罩产品介绍
输送机防雨罩,河北输送机防雨罩,胶带输送机防雨罩,煤炭输送机防雨罩适用于电厂、水泥厂、煤矿、钢铁厂、码头等各大厂矿企业的输送带的防雨、防尘、防风,减少货物在传送过程中的损失,延长输送带使用寿命,输送机防雨罩可使输送带在运行中更为安全可靠,对净化环境起到极大的作用,为企业减少大量运营成本。
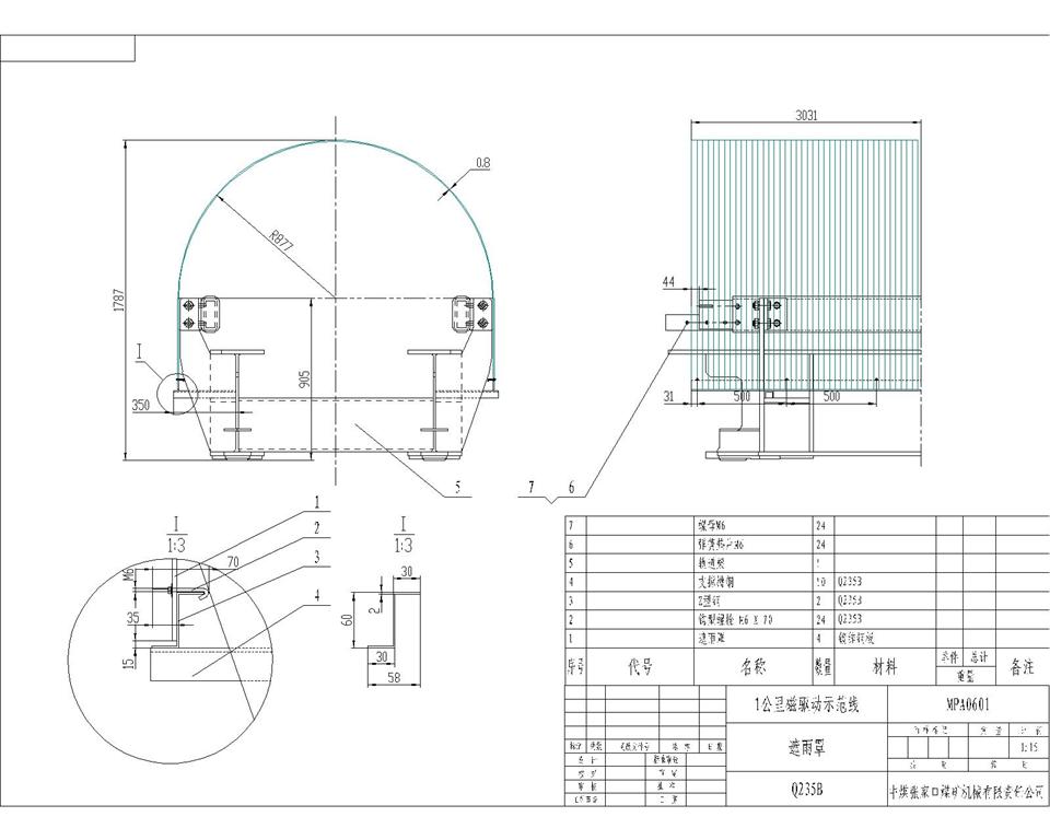
输送机防雨罩主要技术参数
产品代号 | 适用胶带机宽(mm) | 胶带机相关尺寸(mm)DFBA
| 固定罩(mm)LWTR1
| 开启罩(mm)LWTR1
| |||||||||
YDT5 | 500 | 89 | 125 | 740 | 800 | 862 | 846 | 573 | 423 | 862 | 846 | 573 | 423 |
YDT6 | 650 | 108 | 131 | 890 | 950 | 862 | 996 | 648 | 498 | 862 | 996 | 648 | 429 |
YDT8 | 800 | 108 | 153 | 1090 | 1150 | 862 | 1196 | 748 | 598 | 862 | 1196 | 748 | 598 |
YDT10 | 1000 | 133 | 183.5 | 1290 | 1350 | 862 | 1396 | 848 | 698 | 862 | 1396 | 848 | 698 |
YDT12 | 1200 | 133 | 183.5 | 1490 | 1570 | 862 | 1606 | 953 | 803 | 862 | 1606 | 953 | 803 |
YDT14 | 1400 | 159 | 253.5 | 1730 | 1810 | 862 | 1856 | 1078 | 928 | 862 | 1856 | 1078 | 928 |
YDT16 | 1600 | 159 | 253.5 | 1930 | 2010 | 862 | 2056 | 1173 | 1028 | 862 | 2056 | 1178 | 1028 |
YDT18 | 1800 | 159 | 283.5 | 2200 | 2280 | 862 | 2300 | 1280 | 1150 | 862 | 2300 | 1280 | 1150 |
YDT20 | 2000 | 159 | 283.5 | 2420 | 2500 | 862 | 2546 | 1423 | 1273 | 862 | 2546 | 1423 | 1273 |
输送机防雨罩,输送机彩钢防雨罩,皮带输送机防雨罩
输送机防雨罩是用于保护输送设备、减少噪音、保护环境而安装在皮带输送机、胶带输送机等装置上的罩子。
彩钢防雨罩、输送机防雨罩、输送机防尘罩、皮带机防雨罩等。防雨罩对货物、环境起到极大作用,当货物在运输过程中可以减少货物的损失与浪费,使输送带在运输过程中更为安全可靠,其次也延长了运输机的使用寿命。
输送机防雨罩,输送机彩钢防雨罩,皮带输送机防雨罩广泛应用于电厂、水泥厂、钢铁厂、化工厂、煤炭厂、港口、码头、矿山企业等。
输送机防雨罩,输送机彩钢防雨罩,皮带输送机防雨罩对货物、环境起到极大保护作用,当货物在运输过程中可以减少货物的损失与浪费,使输送带在运输过程中更为安全可靠,其次也延长了运输机的使用寿命。
输送机防雨罩,输送机彩钢防雨罩,皮带输送机防雨罩有固定式、开启式和带观察窗口式,可以清楚的看到货物在传送过程中及传送带运行是否正常,更有跑偏罩,为设有跑偏开关的输送机起到防雨、防尘等作用。
输送机防雨罩,输送机彩钢防雨罩,皮带输送机防雨罩的颜色主要种类为海蓝、白灰、红色等。
输送机防雨罩,输送机彩钢防雨罩,皮带输送机防雨罩的生产需要多个工序完成,包括选板,上料,压型,剪板,压弧,调高,包装等。
作为固定输送机防雨罩,输送机彩钢防雨罩,皮带输送机防雨罩的骨架为连接角钢或Z型钢,其长度与输送机罩安装长度相等。将连接角钢或Z型钢焊接在输送机架的两侧槽钢或小角钢上。如需安装支撑角钢的,先将支撑角钢焊接在机架两侧,再把连接角钢或Z型钢焊接在支撑角钢上。
四种形式的输送机防雨罩中,固定罩和开闭式罩均由镀锌瓦楞钢板或彩色涂层钢板制成,一般每10个罩位中设9个固定罩、1个开闭式罩,也可两种罩交替排列。安装时,将开闭式罩压在左右两个相邻的固定式罩上,其重合长度为一个波距或两个波距。注意将开闭式罩有铰链的一侧置于输送机非通行边,而将有锁扣的一侧置于输送机通行边。
用自攻钉将防雨罩固定在连接角钢或Z型钢上,每片不少4个固定点。
折点罩仅用于输送机凸弧段的折点处,而跑偏开关罩则专为罩住跑偏开关而设。两种均盖于固定式罩上。
每隔10片也可安装1片观察式防雨罩,方便维修和查看。

13582671816




当前位置:


